складається з:
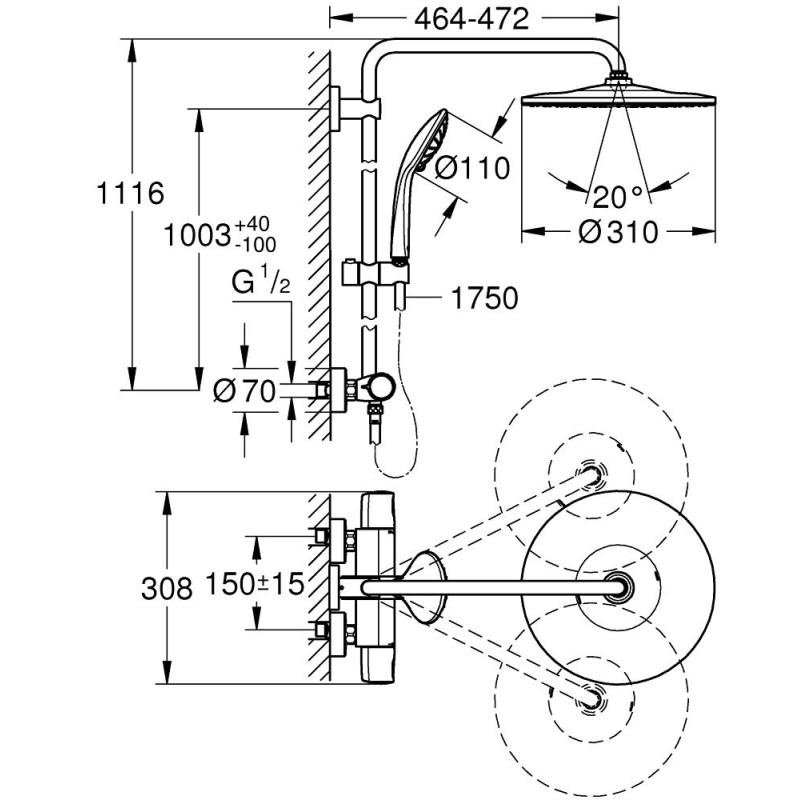
450 мм горизонтальний поворотний душовий кронштейн
термостат зовнішнього монтажу Precision Joy із функцією аквадиммера
вибір між:
Vitalio Rain 310 Mono верхній душ
режим струменю Rain
із шаровим шарніром
кут повороту ± 15°
ручний душ Vitalio Joy 110 Massage (27319)
3 режими струменю: Rain, Massage, SmartRain
регулюється по висоті за допомогою ковзаючого елемента
душовий шланг VitalioFlex Silver 1750 мм, 1/2 дюйма x 1/2 дюйма (27506)
GROHE WaterSaving обмежувач витрат води 9.5 л/хв
GROHE TurboStat вбудований термоелемент
GROHE SafeStop - попередньо встановлений обмежувач температури на 38°C
GROHE SafeStop Plus (додаткова опція) - обмежувач температури води до 43°C
GROHE CoolTouch - технологія, яка повністю виключає імовірність отримання опіків при контакті із зовнішньою поверхнею змішувача
GROHE MetalGrip ергономічна металева рукоятка
GROHE DreamSpray розкішний потік води
GROHE Long-Life Shine хромована поверхня
GROHE SprayDimmer (плавне зниження витрати води)
GROHE QuickFix верхній кронштейн регулюється для монтажу у уснуючі отвори
Внутрішній охолоджуючий канал для довготривалого терміну служби
SpeedClean - технологія, що запобігає утворенню вапняного нальоту
TwistStop - технологія, що запобігає перекручуванню шланга
придатний для швидкодіючих нагрівачів від 18 кВт/год
мінімальне споживання води 7 л/хв
мінімальний тиск 1.0 бар
додаткова опція: поличка GROHE EasyReach (26362), замовляється окремо
| Характеристики | |
| Вага упаковки | 8.3 кг |
| Висота упаковки | 150 мм |
| Довжина душового шланга | 1750 мм |
| Довжина упаковки | 1140 мм |
| Кількість режимів струменя ручного душа | Три |
| Наявність виливу для ванни | Без виливу |
| Тип душової системи | З термостатичним змішувачем |
| Ширина упаковки | 370 мм |
| EAN | 4005176647918 |
| Гарантія | 72 місяців |
| Колекція | Vitalio Joy |
| Країна виробник | Португалія |
| Монтаж | Зовнішній монтаж |
| Поверхня | Хром |






