Безпека, економічність, стиль і відмінна продуктивність роблять термостатичну душову систему GROHE Tempesta Cube 250 ідеальним рішенням для реновації!
Надайте своїй ванній кімнаті естетичного вигляду та отримайте нові функції, обравши душову систему GROHE Tempesta 250 Cube.
Вона дозволить вам насолоджуватися усіма перевагами зручності та комфорту, які пропонує термостат.
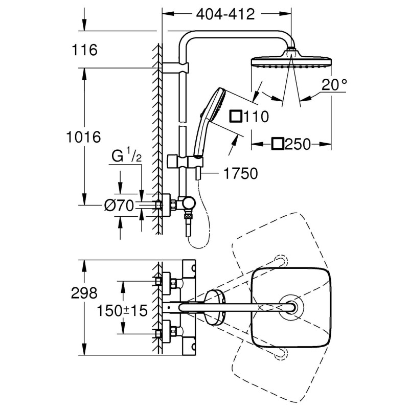
Душова система зовнішнього монтажу складається з верхнього квадратного душу на 250 мм, ручного душу 110 мм, термостата, душової штанги з поворотним на 390 мм кронштейном і ковзаючим елементом для регулювання ручного душу, а також шлангу 1750 мм з функцією TwistStop.
Верхній душ пропонує ніжний, розслабляючий режим Rain. Ручний душ оснащений протиударним силіконовим кільцем ShockProof, що захищає його від падінь та ударів. Він має 2 режими: м'який Rain і потужний, цілеспрямований Jet. Обидва режими можна легко увімкнути за допомогою ергономічного перемикача GROHE SmartSwitch на задній панелі душової лійки.
Технологія GROHE DreamSpray забезпечує рівномірний потік води з кожної форсунки SpeedClean, які можна очистити від вапняного нальоту простим рухом пальця.
Душова система подає воду постійної температури без неприємних сюрпризів завдяки технології GROHE TurboStat. А технологія GROHE Water Saving значно зменшує споживання води та енергії без шкоди для продуктивності. Для захисту від ошпарювання кнопка безпеки GROHE SafeStop встановлена на рівні 38°C, щоб запобігти ненавмисному підвищенню температури води, зокрема, дітьми. А опціональний обмежувач GROHE SafeStop Plus можна встановити на рівні 43°C для додаткового рівня безпеки.
Перемикайтеся між верхнім і ручним душем та регулюйте обсяг води за допомогою однієї ручки з функцією Aquadimmer.
Довговічне і просте у догляді покриття хром GROHE Long-Life збереже бездоганний вигляд душової системи протягом всього терміну експлуатації. Додатково можливо придбати поличку GROHE EasyReach (26362LN1) – для зручного зберігання мила та шампуню під рукою.
складається з:
390 мм горизонтальний поворотний душовий кронштейн
настінний термостат із аквадимером
вибір між:
Верхній душ Tempesta 250 Cube (26 685)
режим струменю Rain
верхній душ із верхньою кришкою білого кольору
із шаровим шарніром
кут обертання ± 10°
Ручний душ Tempesta Cube 110 (27 571)
2 режими струменю Rain, Jet
регулюється по висоті за допомогою ковзаючого елемента
Душовий шланг 1750 мм Rotaflex TwistStop 1/2" x 1/2" (28 410)
максимальний поток води (3 bar): 8.5 l/min
GROHE Water Saving – технологія неперевершеного потоку при економному використанні води
GROHE TurboStat вбудований термоелемент
GROHE SafeStop - попередньо встановлений обмежувач температури на 38°C
GROHE SafeStop Plus (додаткова опція) - обмежувач температури води до 43°C
GROHE SmartSwitch - легко прокручується перемикач вибору режима душу
GROHE DreamSpray розкішний потік води
ShockProof – силіконове кільце, яке запобігає виникненню пошкоджень при падінні ручного душу
GROHE Long-Life поверхня хром
SpeedClean – технологія, що запобігає утворенню вапняного нальоту
внутрішній охолоджуючий канал для довготривалого терміну служби
TwistStop - технологія, що запобігає перекручуванню шланга
придатний для швидкодіючих нагрівачів від 18 кВт/год
мінімальне споживання води 7 л/хв
додаткова опція: поличка GROHE EasyReach (26 362), замовляється окремо
| Характеристики | |
| Вага упаковки | 6.5 кг |
| Висота упаковки | 100 мм |
| Довжина душового шланга | 1750 мм |
| Довжина упаковки | 1145 мм |
| Кількість режимів струменя ручного душа | Два |
| Наявність виливу для ванни | Без виливу |
| Тип душової системи | З термостатичним змішувачем |
| Ширина упаковки | 320 мм |
| EAN | 4005176766176 |
| Гарантія | 72 місяців |
| Колекція | Tempesta |
| Країна виробник | Португалія |
| Монтаж | Зовнішній монтаж |
| Поверхня | Хром |
