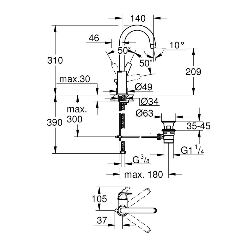
монтаж на один отвір
металевий важіль
GROHE Longlife керамічний картридж 28 мм
GROHE WaterSaving - 5,7 л / хв
поворотний трубкоподібний вилив
система швидкого монтажу
донний клапан 1 1/4 дюйма
гнучка підводка
| Характеристики | |
| Вага упаковки | 1.91 кг |
| Висота упаковки | 75 мм |
| Діаметр картриджу | 28 мм |
| Довжина упаковки | 455 мм |
| Розмір змішувача | Розмір L |
| Тип монтажу змішувача | Класичний |
| Ширина упаковки | 230 мм |
| EAN | 4005176421631 |
| Гарантія | 72 місяців |
| Донний Клапан | З донним клапаном |
| Колекція | Start Flow |
| Країна виробник | Португалія |
| Наявність термостата | Без термостата |
| Поверхня | Хром |
| Тип управління | Важільний |
