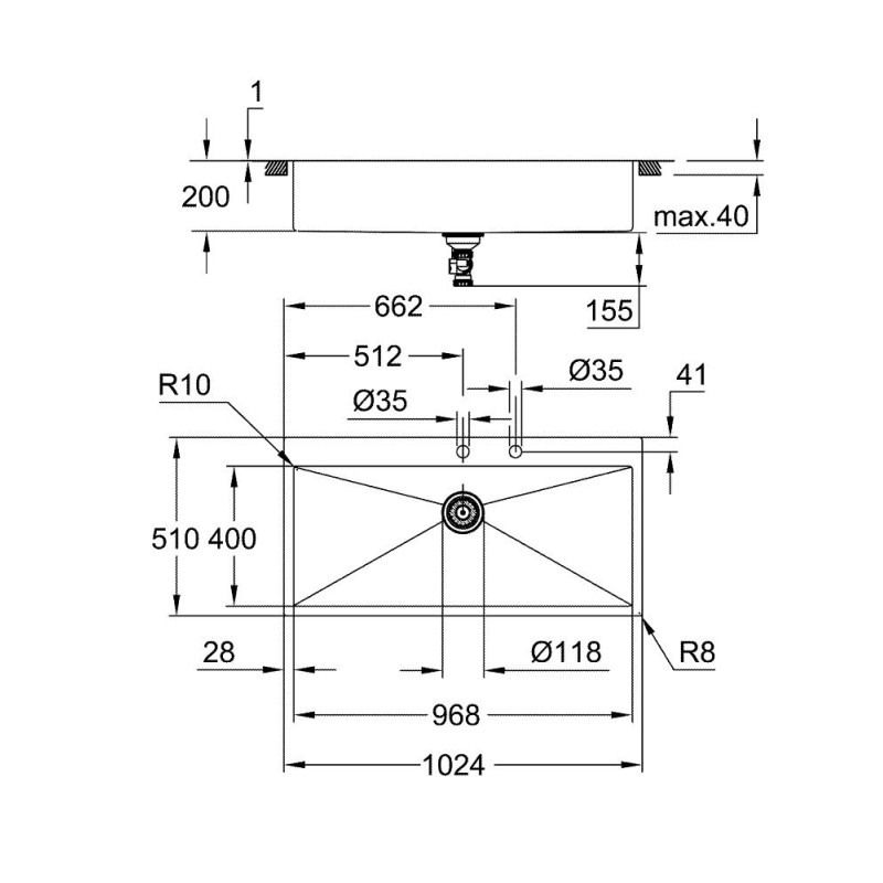
Кухонна мийка Medox K800 з матовою поверхнею в рівень зі стільницею - це надійне та стильне рішення для вашої кухні. Виготовлена з нержавіючої сталі AISI 304, мийка пропонує видатну стійкість до корозії та довговічність. Її прямокутна форма та глибина чаші 20 см дозволяють легко мити велику посуду та каструлі, що робить процес готовки зручнішим.
Особливості конструкції
Розташований поруч з мийкою ексцентрик дає змогу швидко витягувати пробку, не опускаючи рук у воду. Раковина обладнена мінімалістичним квадратним переливом, який підсилює сучасний дизайн. Medox Whisper зменшує шум під час миття, роблячи процес безшумним. Поверхня мийки має сатинове покриття, що робить її менш пористою та легше піддається догляду. Це означає, що мийка довше зберігає свій вигляд. Ви можете обрати монтаж в рівень зі стільницею або накладний монтаж.
Переваги
Кухонна мийка Medox K800 є ідеальним поєднанням сучасного стилю та функціональності. Ширина 968 мм дозволяє розмістити всю необхідну посуду, не загромаджуючи робочу поверхню. Медокс пропонує 72-місячну гарантію, що підтверджує довговічність та якість продукції.
Розмір мийки та мінімальний розмір шафи 1200 мм забезпечують її вдале вписування у кухонний інтер'єр. Medox K800 підійде для будь-якого дизайну кухні, створюючи гармонійний вигляд з будь-якою стільницею. Для швидкої та зручної установки мийка обладнується системою Medox QuickFix, що робить монтаж простим і зручним.
Оформити замовлення на цю кухонну мийку можна за допомогою онлайн-магазину SantehCity. Ми пропонуємо швидку доставку по всій Україні. Всі товари, перед відправкою, перевіряються на відсутність дефектів. Оплатити покупку можна за допомогою передплати чи повної оплати після підтвердження наявності товару. Сделайте вашу кухню практичною та стильною, обравши кухонну мийку Medox K800.
| Характеристики | |
| Вага упаковки | 13.71 кг |
| Висота упаковки | 290 мм |
| Глибина основної чаші, мм | 200 мм |
| Довжина упаковки | 1059 мм |
| Мінімальна ширина тумби під мийкою, мм | 1200 мм |
| Розмір вирізу, мм | |
| Форма мийки | Прямокутна |
| Ширина упаковки | 557 мм |
| EAN | 4005176607196 |
| Гарантія | 72 місяців |
| Кількість чаш | Одна |
| Колекція | K-series |
| Країна виробник | Індія |
| Матеріал | сталь AISI 304 (V2A) |
| Поверхня | Нержавіюча сталь матова |
| Серія | К800 |
| Тип Монтажу | Врізна в стільницю |
| Товщина Сталі | 1 мм |






