Головні переваги даного змішувача для душу - безпека, яку забезпечує термостатичне управління температурою води, і високий рівень естетичності.
Його регулятори розроблені з розрахунком на інтуїтивне управління без зусиль.
В конструкції застосовується технологія GROHE CoolTouch, яка запобігає зовнішньому нагріву корпусу і таким чином захищає від опіків.
Обмежувач SafeStop оберігає користувачів від випадкового включення занадто гарячої води.
Змішувач комплектується простою у догляді поличкою GROHE EasyReach, яка служить ефектним аксесуаром і забезпечує місце для зберігання банного приладдя.
Крім того, даний термостат дозволяє економити до 50% води в режимі водозбереження без шкоди для комфорту: це допоможе Вам повноцінно насолоджуватися купанням.
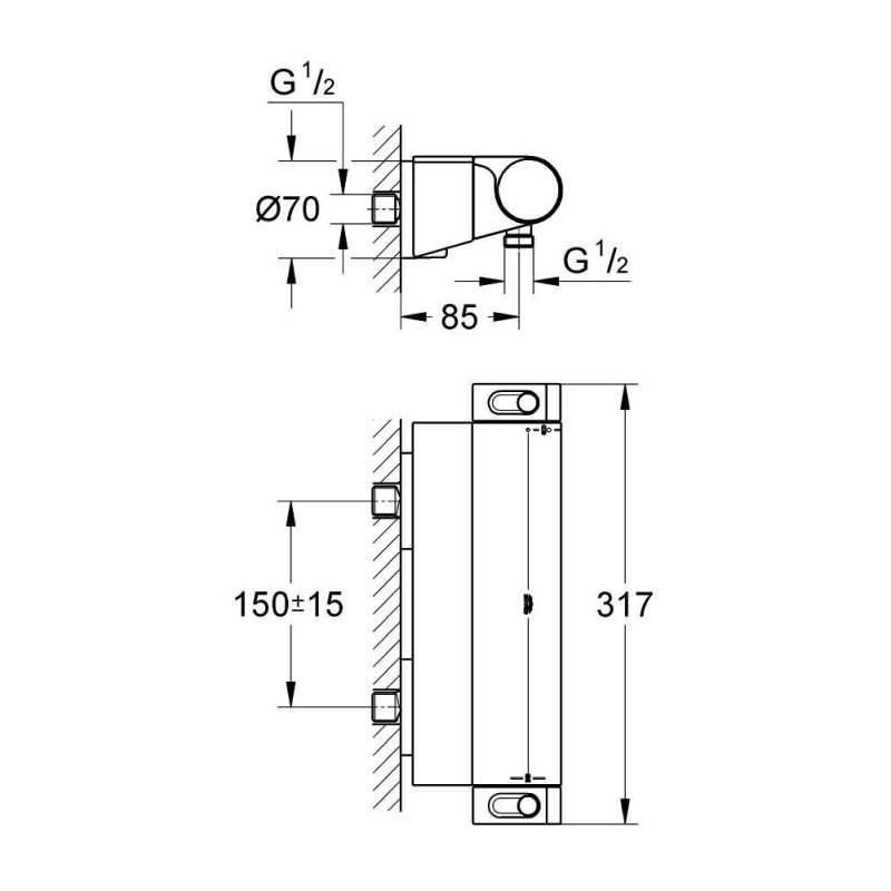
настінний монтаж
100% GROHE CoolTouch безпечний корпус виробу + S-подібні з'єднання із розетками CoolTouch
GROHE Long-Life Shine хромована поверхня
GROHE Aqua Paddles, ергономічні рукоятки
рукоятка вибору температури зі стопором GROHE SafeStop при 38°C
GROHE SafeStop Plus (додаткова опція) - обмежувач температури води до 43°C
GROHE TurboStat вбудований термоелемент
рукоятка регулювання водного потоку із кнопкою GROHE EcoButton (економічна кнопка із індивідуальними налаштуваннями стопору)
вихід для душового шлангу 1/2 дюйму
вбудовані зворотні клапани
фільтри для затримання бруду
захист від зворотнього потоку
приховані S-подібні з'єднання
CoolTouch розетки із настінними ущільнювачами
GROHE EasyReach вбудована поличка для шампуню або гелю для душу
мінімальний тиск 1.0 бар
GROHE WaterSaving технологія неперевершеного потоку при економному використанні води
| Характеристики | |
| Вага упаковки | 4.36 кг |
| Висота упаковки | 120 мм |
| Довжина упаковки | 400 мм |
| Наявність душового гарнітура в комплекті | |
| Ширина упаковки | 205 мм |
| EAN | 4005176926396 |
| Гарантія | 72 місяців |
| Колекція | Grohtherm 2000 |
| Країна виробник | Німеччина |
| Поверхня | Хром |
