Комплект верхньої монтажної частини для вбудованої частини GROHE Rapido SmartBox 35 600/35 604
Комплект складається з:
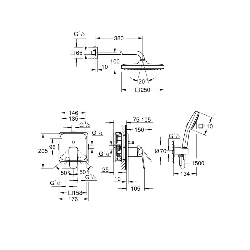
Змішувач вбудованого монтажу для двох споживачів Grohe Cubeo (101 778)
комплект верхньої монтажної частини для вбудованої частини GROHE Rapido SmartBox 35 600/35 604
GROHE SilkMove 46 мм керамічний картридж
GROHE Long-Life поверхня
із настінною розеткою GROHE FastFixation (приховані ексцентрики, ущільнювачі, кріплення)
металева настінна накладка, припасування в межах 6°
автоматичний перемикач на 2 положення
металевий важіль
пропускна здатність виходів: вихід B = 27 л/хв, вихід C = 27 л/хв
без вбудованої частини
Верхній душ Tempesta 250 Cube 9,5 л/хв (26 687) у комплекті з кронштейном 380 мм
Складається з:
Душової лійки Tempesta 250 Cube (26685)
Стінового кронштейна c квадратною розеткою 380 мм
1 режим струменя: Rain
GROHE DripStop з лійки не капає після виключення води
GROHE DreamSpray однаковий напор води з кожної форсунки
GROHE WaterSaving обмежувач витрати води 9,5 л / хв
GROHE Long-Life Shine хромована поверхня
на верхній поверхні лійки є білий пластиковий елемент без хромового покриття
SpeedClean проти вапняних відкладень
InnerWaterGuide внутрішні водні канали для більш тривалого терміну служби
підходить для проточних нагрівачів
мінімальний рекомендований тиск 1,0 бар
Душовий набір, 3 режими Tempesta Cube 110 (26 910)
із вбудованим підключенням для душового шлангу 1/2"
Складається з:
ручний душ Tempesta Cube 110 (27 574)
підключення для душового шлангу 1/2" із настінним тримачем для ручного душу (28 679)
1500 мм душовий шланг Relexaflex 1/2" x 1/2" (28 151)
Технології:
GROHE Water Saving – технологія неперевершеного потоку при економному використанні води
GROHE SmartSwitch – просто поверніть диск, щоб вибрати бажаний режим душу
GROHE DreamSpray розкішний потік води
GROHE Long-Life поверхня
SpeedClean – технологія, що запобігає утворенню вапняного нальоту
Inner WaterGuide - внутрішня ізоляція для захисту поверхні та від ошпарювання
ShockProof – силіконове кільце, яке запобігає виникненню пошкоджень при падінні ручного душу
максимальна витрата (при тиску 3 бар): 7,4 л/хв
мінімальний рекомендований тиск 1.0 бар
може використовуватися із проточним водонагрівачем
зовнішня різьба
захист від зворотнього потоку
Зверніть увагу, комплект поставляється без вбудованої частини.
| Характеристики | |
| Вага упаковки | 5.59 кг |
| Висота упаковки | 405 мм |
| Довжина душового шланга | 1500 мм |
| Довжина упаковки | 341 мм |
| Кількість режимів струменя ручного душа | Три |
| Наявність виливу для ванни | Без виливу |
| Тип душової системи | Зi змішувачем |
| Ширина упаковки | 311 мм |
| EAN | 4067393050285 |
| Гарантія | 72 місяців |
| Колекція | Cubeo |
| Країна виробник | Німеччина |
| Монтаж | Прихований монтаж |
| Поверхня | Хром |
