Комплект верхньої монтажної частини для вбудованої частини GROHE Rapido SmartBox 35 600/35 604
Комплект складається з:
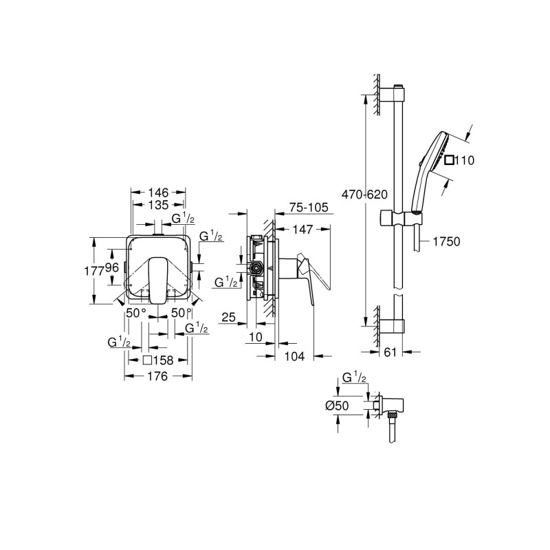
Змішувач для душу вбудованого монтажу Grohe Cubeo (101 777)
комплект верхньої монтажної частини для вбудованої частини GROHE Rapido SmartBox 35 600/35 604
GROHE SilkMove 46 мм керамічний картридж
GROHE Long-Life поверхня
із настінною розеткою GROHE FastFixation (приховані ексцентрики, ущільнювачі, кріплення)
металева настінна накладка, припасування в межах 6°
металевий важіль
пропускна здатність виходів: вихід B або C = 30 л/хв
без вбудованої частини
Душовий набір зі штангою, 2 режими Grohe Tempesta 110 26 748
Складається з:
ручний душ Tempesta Cube 110 (26 746) 2 режими Rain, Jet
600 мм душової штанги (27 523)
1750 мм душового шлангу Relexaflex 1/2" x 1/2" (28 154)
Технології:
GROHE Water Saving – технологія неперевершеного потоку при економному використанні води
GROHE SmartSwitch - легко повертайте диск, щоб насолоджуватися бажаним варіантом розпилення
GROHE DreamSpray розкішний потік води
GROHE Long-Life поверхня хром
GROHE FastFixation (регульований верхній кронштейн для наявних отворів)
регульований тримач (поворотний і ковзний тримач для душу)
SpeedClean – технологія, що запобігає утворенню вапняного нальоту
Inner WaterGuide - внутрішня ізоляція для захисту поверхні та від опіків
ShockProof – силіконове кільце, яке запобігає виникненню пошкоджень при падінні ручного душу
максимальна витрата (при 3 бар): 8,5 л/хв
мінімальний рекомендований тиск 1.0 бар
може використовуватися із проточним водонагрівачем
Шлангове підключення Rainshower (27 057)
зовнішня приєднувальна різьба 1/2"
з круглою розеткою
захист від зворотного потоку
GROHE Long-Life поверхня
Зверніть увагу, що комплект постачається без вбудованої частини.
| Характеристики | |
| Вага упаковки | 4.01 кг |
| Висота упаковки | 190 мм |
| Довжина душового шланга | 1750 мм |
| Довжина упаковки | 658 мм |
| Кількість режимів струменя ручного душа | Два |
| Наявність виливу для ванни | Без виливу |
| Тип душової системи | Зi змішувачем |
| Ширина упаковки | 286 мм |
| EAN | 4067393050254 |
| Гарантія | 72 місяців |
| Колекція | Cubeo |
| Країна виробник | Німеччина |
| Монтаж | Прихований монтаж |
| Поверхня | Чорний матовий |
